锗在地壳中的分布并不少,约为一百万分之一,比金、银等元素要高,但是因为其分布极为分散,很少有集中的锗矿出现。但锗矿作为中国的战略矿产之一,产量占全球的73%,同时,锗在全球高精端产品的生产中,有着不可取代的地位!
锗矿概况
锗是一种稀散稀有金属元素,呈灰白色,质脆,有单向导电性,是重要的半导体材料。锗在自然界分布极少,且具备多方面的特殊性质,在半导体、航空航天测控、核物理探测、光纤通讯、红外光学、太阳能电池、化学催化剂、生物医学等领域都有广泛而重要的应用,是一种重要的战略资源。
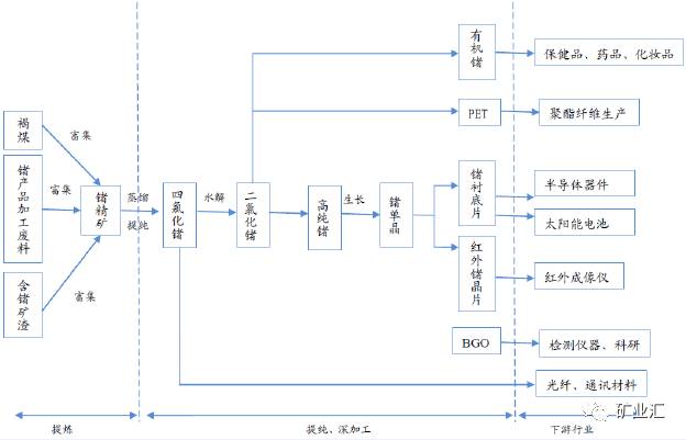
锗的产业链:

世界锗资源分布
锗元素是一种典型的稀有分散元素,在地壳中含量约百万分之七。锗具有亲石、亲硫、亲铁、亲有机的化学性质,很难独立成矿,一般以分散状态分布于其他元素组成的矿物中,成为多金属矿床的伴生成分,比如含硫化物的铅、锌、铜、银、金矿床以及某些特定的煤矿。
全球锗的资源比较贫乏,全球已探明的锗保有储量仅为8600金属吨,按照目前200吨/年的速度开采,则43年后全球存量锗就会耗尽。
锗资源在全球分布非常集中,主要分布在中国、美国和俄罗斯,其中锗资源分布最多的国家是美国,保有储量3870吨,占全球含量的45%,其次是中国占全球41%。

中国锗资源的储量
中国已探明锗矿产地约35处,保有储量约3500金属吨,远景储量约9600金属吨。云南省锗资源占全国储量的33.77%,另外内蒙的锗资源也非常丰富,但是品位较低,可开采性较差。我国锗资源分布具体情况如下表所示:

世界精锗产量
美国地质调查局2015年资料显示,2013年全球精锗产量共计155吨,2014年165吨。中国2013年为110吨,2014年120吨,分别占全球总产量的71%和73%。

虽然美国的锗储量全球第一,但由于主要以铅锌伴生矿为主,锗的产量受制于铅锌的产量,实际上并无增长潜力。中国锗产量占全球锗产量的72%,居世界第一。
据统计,中国锗年产量从2008年以来一直保持在100吨左右的水平。不过,在中国对稀有金属的整合之下,未来几年锗的产量将会逐步下降,预计控制在120吨左右。
全球锗产量走势如下:

锗的主产国:中国,美国,俄罗斯,加拿大。
锗的主要消费国:美国,德国,比利时。
锗的主要进口国:美国,德国,比利时。
锗的主要出口国:中国。
世界锗消费领域
根据美国地质调查局数据显示(2015)全球锗终端用户所占比例如下:纤维光纤30%;红外光纤20%;聚合催化剂20%;电子和太阳能器件15%和其他(荧光粉、冶金、和化疗)15%。

全球锗行业中,规模比较大的是比利时的优美科,以及我国的中锗科技以及云南锗业,美国的半导体公司ATX等。虽然我国整个锗产业的产量不小,在锗产品的供应上,贡献了全球71%的产量,但是由于我国在深加工领域的技术较为薄弱,导致无法满足内需,因此只能将低附加值的初加工产品出口出去。
锗产业的核心仍在中下游的深加工和应用,但如果将来铅锌资源大国在政策有所改变导致减产,将会成为影响产业发展的关键因素。
为何美国储量第一,产量极少
为何美国是全球锗资源储量最为丰富的国家,但是每年开采量却如此少呢?但是作为储量第二位的中国,每年锗的开采量却是异常的高。目前全球锗的供应也基本上像稀土和锑矿一样,主要来自于中国。
出现上述情况主要有以下几点原因:
首先是监管不到位。锗资源因为它的稀缺性,所以在市场上售价也比较高。当这种金属在市场被炒到较高价格的时候,很多人为了获得高额利益就铤而走险,大肆盗采锗矿资源。这一点与稀土行业几乎一样。
其实锗矿的开采除了偷采外,还有当地企业和政府盲目、无序开采有关。当时因为锗价格较高,国内竞争激烈,所以就出现了开采过度的情况。而前几年我国对于矿产资源的保护,尤其是环境的保护并不到位,就造成了锗的供给较多,出口也比较多。
最近几年我国对于环境和战略金属资源的保护越来越严格,从开采、加工、出口灯各个方面都有严格的限制,所以目前我国锗开采量也在下滑,不过由于产能较高,短期难以降下来。
然后是锗储量集中度。虽然美国锗总储量是全球第一,但是美国的锗资源主要以铅锌伴生矿为主,锗的产量受制于铅锌的产量。而它们的铅锌产量并不如国内的高,所以锗的年产量才会那么低。
国内锗资源也主要集中在内蒙和云南等地,但是内蒙锗产量较少,远不及云南。这主要是因为内蒙地区锗品位较低,开采价值也偏低;而云南地区锗资源不仅品位高还主要集中在铅锌矿及含锗煤矿中,开采较为便利。
以上原因也基本就是为何我国锗矿资源产量占全球70%以上并供给国外的原因了。锗资源属于全球储量都比较少的战略金属资源,相信出于资源保护及环境保护等方面的考虑,同时我国锗矿在过去几十年的大幅开采,储量也大幅减少等因素,我国对于锗矿的保护和开采也会有明确的举措。


评论