起步时P挡换R或D挡,或者行驶时换R或P或N挡为什么一定要踩刹车?原理何在?手自一体切换到手动模式时加减档时为什么又不需要踩刹车?静止时D、N挡互相切换需要踩刹车吗?

1.自动档换档是不是必须踩刹车?
只有P挡挂入其他挡位时,才强制踩刹车,其他挡位间互相切换是不强制必须踩刹车的。当然了,从安全角度讲,建议一般驾驶员在自动档车辆切换挡位操作时踩刹车。除非你是个暴力对待和测试变速箱的人 。

2.为什么设置必须踩刹车才能从P挡挂入其他挡位?
为了安全。上世纪90年代前后各大汽车厂商频频出现“暴冲事件”或者“非预期加速事件”,其中一种常见的事故情形就是从P挡挂入D挡或R挡的时候发生的。为尽量避免此类事故,现在所有的自动档车辆都配备有换挡锁止功能(shift lock),不允许未踩刹车将P挡挂入其他挡位,甚至有的车辆即使踩了刹车,但油门到一定深度或节气门开到一定角度也会不允许将P挡挂入其他挡位。
3. P挡锁止是什么原理?
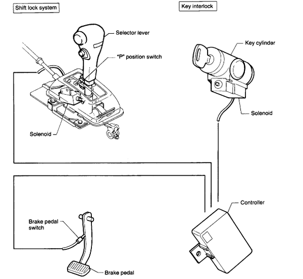
以下图为例。

P挡锁止是由一个电磁阀(solenoid)来进行锁定的,要想解开锁定,需要控制器(controller)发出解锁信号,闭合继电器,控制电磁阀解锁。而控制器发出解锁信号的条件里面肯定会有“接收刹车踏板踩下的信号”这一条。而具体实现过程要比这个图复杂得多,一般刹车信号会由ECU采集,然后将信号发到总线网络上共享给控制器,不同车型会有所不同,一般控制器是BCM(车身控制模块)或者TCU(变速箱控制单元),当解锁条件满足时,BCM或TCU发出解锁指令,对P挡进行解锁。
接着回答题主的剩下的问题。
手自一体切换到手动模式时加减档时为什么又不需要踩刹车?
自动变速器的加减挡动作是由TCU控制进行的,本身就不需要踩刹车,手动模式只不过是原来由TCU根据换档曲线进行换档这个自动过程,将一部分主动权交给驾驶员,由驾驶员决定换档的时机而已。
静止时D、N挡互相切换需要踩刹车吗?
除了P挡切换至其他挡位时需要强制踩刹车,其他挡位是不强制的。当然N->D这个过程,有的车设计上会将P挡锁止这个功能延伸到N挡,原因同上。但不是所有车都是!


评论